Теплообменники с компенсатором на кожухе
до 9 баллов
20 лет
ООО "НПО "Спецнефтемаш"
Теплообменное оборудование в наличии:
Что такое теплообменники с компентатором на кожухе ?
Кожухотрубчатый теплообменник – аппарат, предназначенный для нагрева, охлаждения, конденсации и испарения жидких и парообразных сред. Сфера применения кожухотрубчатых теплообменников – нефтяная, химическая, нефтехимическая, газовая, теплоэнергетическая отрасли промышленности, не предназначен для использования в ядерных реакторах.
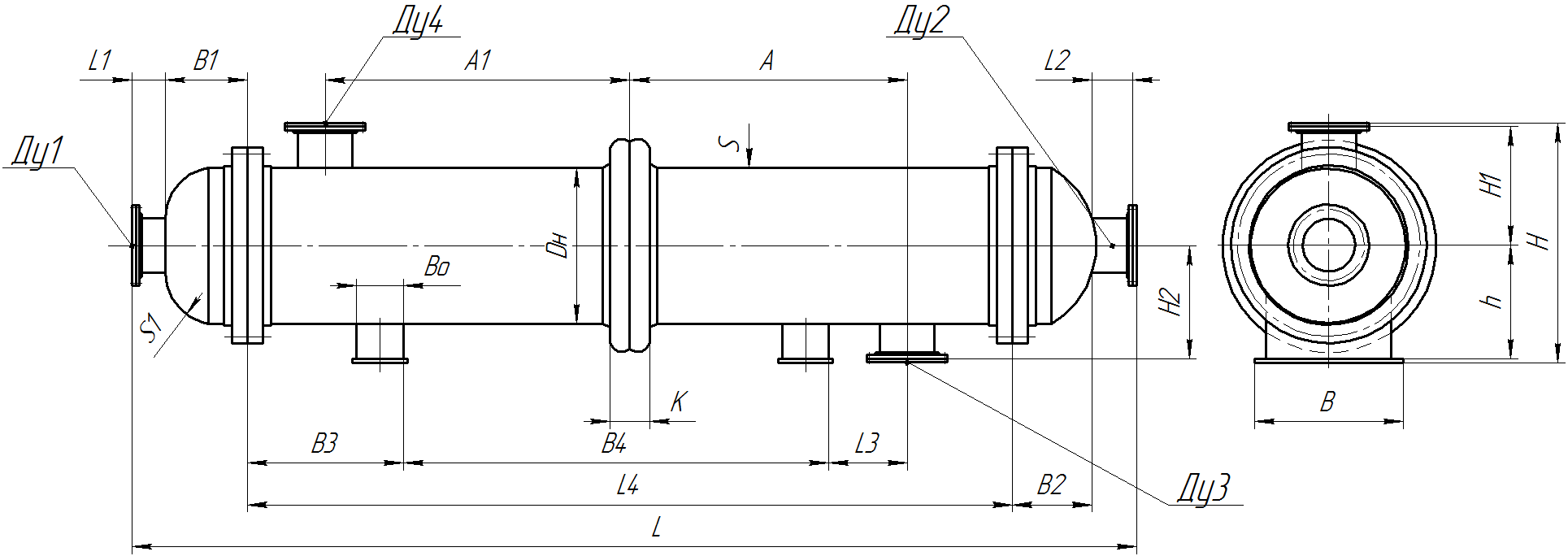
Техническое параметры:
Теплообменники этой группы изготовливают на условное давление 0,6...4,0 МПа, диаметром 159...1200 мм, с поверхностью теплообмена до 973 м²; длина их до 10,5 м, масса до 22 тн. Кожухотрубчатые теплообменники этого типа применяют при температуре от -70ºС до +350ºС.
В аппаратах типа ТК используют одно- и многоэлементные линзовые компенсаторы, изготовливаемые обкаткой из коротких цилиндрических обечаек. Линзовый элемент, сварен из двух полулинз, полученных из листа штамповкой. Компенсирующая способность линзового компенсатора примерно пропорциональна числу линзовых элементов в нем, однако применять компенсаторы с числом линз более четырех не рекомендуется, так как резко снижается сопротивление кожуха изгибу. Для увеличения компенсирующей способности линзового компенсатора он может быть при сборке кожуха предварительно сжат (если предназначен для работы на растяжение) или растянут (при работе на сжатие). При установке линзового компенсатора на горизонтальных аппаратах в нижней части каждой линзы сверлят дренажные отверстия с заглушками для слива воды после гидравлических испытаний аппарата.
За качественным теплообменным оборудованием обращайтесь в ООО "НПО "Спецнефтемаш". Мы предлагаем лучшие цены на территории Радужного.
Основные типы:
Теплообменники кожухотрубчатые с компенсатором на кожухе бывают двух типов: горизонтальные и вертикальные.
Требования к сейсмичности площадки строительства
Благодаря передовым технологиям производства, теплообменное оборудование ООО НПО "Спецнефтемаш" способно выдерживать сейсмические воздействия вплоть до 9 баллов по шкале MSK-64. Проведенные в сентябре 2017 года испытания подтвердили это на практике, в результате чего был получен Сертификат Соответствия требованиям нормативных документов ГОСТ 30546.1-98, ГОСТ 30546.2-98, ГОСТ 30546.3-98.
Таким образом, если вам необходимо качественное теплообменное оборудование при строительстве объектов нефте-газовой промышленности в сейсмически активных районах, ООО НПО "СпецНефтеМаш" готов удовлетворить ваш спрос.
Пример условного обозначения приз заказе теплообменника ТК:
Теплообменник 325ТКВ-1,6-М1/20Г-2-1
Теплообменник кожухотрубчатый с компенсатором на кожухе вертикальный - ТКВ, с кожухом диаметром 325 мм, на условное давление в трубах и кожухе 1,6 МПа, исполнения по материалу M1 с гладкими теплообменными трубами - Г диаметром 20 мм, длиной 2 м, 1-но ходовой по трубному пространству.
Теплообменник 325ТКГ-1,6-М1/20Г-2-1
Теплообменник кожухотрубчатый с компенсатором на кожухе горизонтальный - ТКГ, с кожухом диаметром 325 мм, на условное давление в трубах и кожухе 1,6 МПа, исполнения по материалу M1 с гладкими теплообменными трубами - Г диаметром 20 мм, длиной 2 м, 1-но ходовой по трубному пространству

